The discussion of the Alien series of films and the props used in them is the aim, but if it's got Big Bugs and Big Guns, then they are welcome too!





Forum locked This topic is locked, you cannot edit posts or make further replies.  [ 14 posts ] 
Author Message
 Post subject: Matsuo shroud buildup or G&P?
PostPosted: Fri Sep 14, 2007 5:19 pm 
User avatar

Location: Florida, USA
I have:
Thompson
Phil S steel buttstock, vents, etc
springer Spas cage & grip
mnoble mag base

(I also have a "Wakal" kit w/ styrene vacced shroud but I don't think it will come together well without a lot of shimming, etc)

I could get Matsuo's $200 shroud and build it up myself, either getting tommin's barrel adapter or using Rook's method...

...OR, I could spend another $160 or so and get the G&P kit and save a lot of work, plus have a counter. Mind you, I'd probably put in the work to retrofit the Phil S steel parts anyway.


What would YOU do?

_________________
Jay Pennington

Image


Top
 Profile  
Reply with quote  
 Post subject:
PostPosted: Fri Sep 14, 2007 5:37 pm 
User avatar

Location: Yo Momma
Country: United Kingdom
I have pretty much all the same parts you do mate.

I started with a TM airsoft Thompson and the G&P kit.
Then I bought the Vents/Triangle/front block/Stock from Phil S. and
a real SPAS cage/grip

Because the counter from the G&P kit only counts down by actually firing BB's out of it I needed to keep the lightgate functional. The problem is that this was originally housed in the front triangle on the G&P kit. However, DATA has since made a system for attaching the Thompson to the Spas cage which also allows for the lightgate to be kept and also now hidden inside the shrouds. He also has detailed drawings of modifying all the PHil S parts and came up with a nice stock locking mechanism similar to Rook's. He has offered to send these drawings to people who want them BTW, should be very useful for you.

You can see some of the work done in this thread here

http://forum.alienslegacy.com/viewtopic.php?t=2321&highlight=data+mod

All of this was done with the G&P shrouds in mind though. I am a big fan of the G&P shrouds, despite the little inaccuracy at the back end as they are pretty damn sturdy and a great flush fit with each other.

So to sum up, I would get the G&P shrouds :)

Cheers

Darren


Top
 Profile  
Reply with quote  
 Post subject:
PostPosted: Fri Sep 14, 2007 9:55 pm 
User avatar

Location: Somerset UK
Service Number: A04/TQ8.0.24476E3
Country: United Kingdom
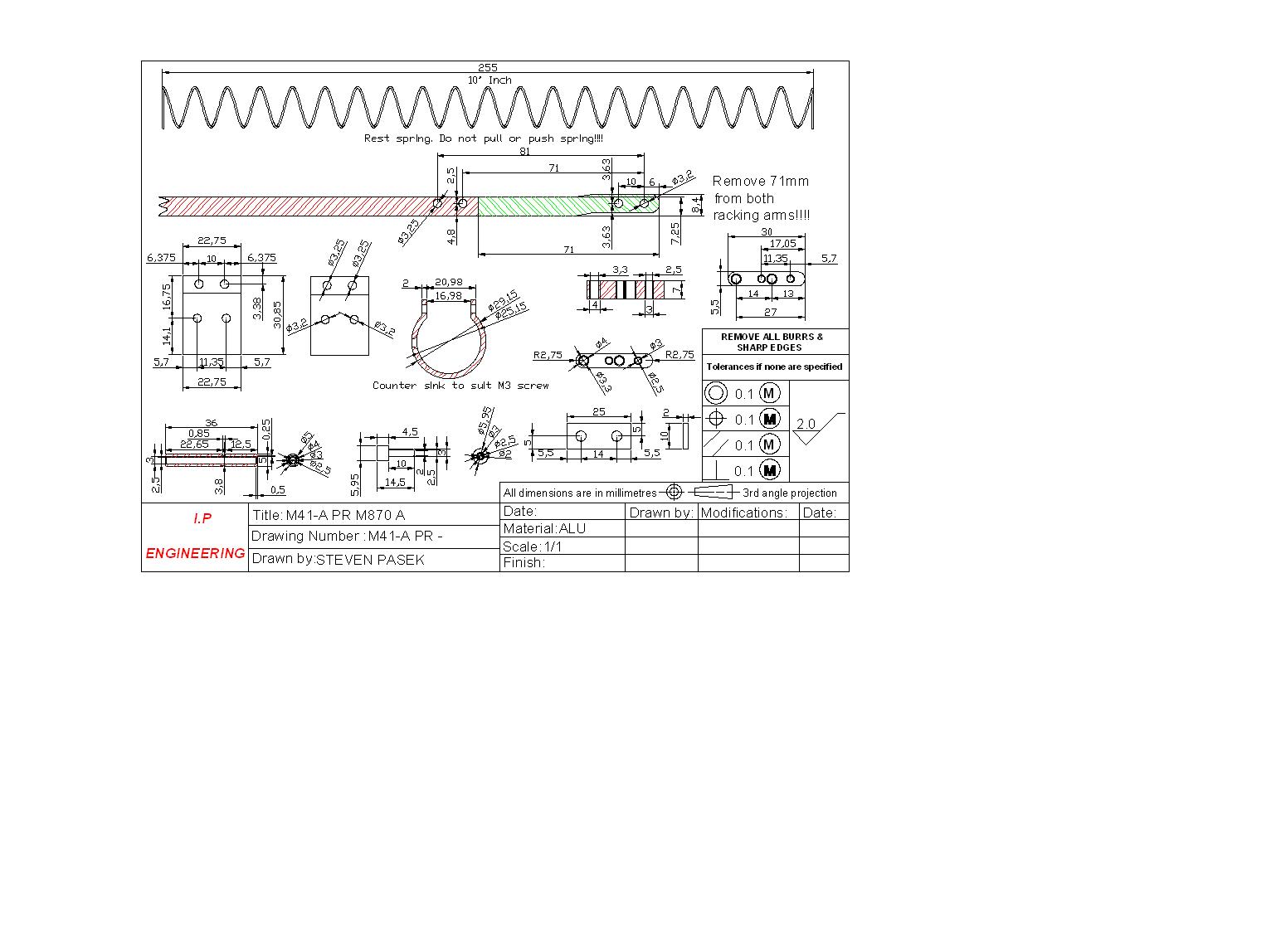
Here are my Autocad drawings of the Maurzen M870 mod's.

Cheer's Steven

M41-A Pulse Rifle M870 shotgun Trigger guard and G&P Plate Drawing.JPG
M41-A Pulse Rifle M870 shotgun Trigger guard and G&P Plate Drawing.JPG [ 90.93 KiB | Viewed 5128 times ]

M41-A Pulse Rifle M870 shotgun Cocking Ring, Screw Pins, Plate, Spring, Ranking arm's, Spacers Drawing.JPG
M41-A Pulse Rifle M870 shotgun Cocking Ring, Screw Pins, Plate, Spring, Ranking arm's, Spacers Drawing.JPG [ 147.38 KiB | Viewed 5110 times ]

M41-A Pulse Rifle M870 shotgun body new pipe rount Drawing.JPG
M41-A Pulse Rifle M870 shotgun body new pipe rount Drawing.JPG [ 85.48 KiB | Viewed 5110 times ]

M41-A Pulse Rifle M870 shotgun Body Mod's Drawing.JPG
M41-A Pulse Rifle M870 shotgun Body Mod's Drawing.JPG [ 112.46 KiB | Viewed 5105 times ]

M41-A Pulse Rifle M870 shotgun barrle (outer & inner) with shell tube Drawing.JPG
M41-A Pulse Rifle M870 shotgun barrle (outer & inner) with shell tube Drawing.JPG [ 128.43 KiB | Viewed 5109 times ]

Top
 Profile  
Reply with quote  
 Post subject:
PostPosted: Fri Sep 14, 2007 9:59 pm 
User avatar

Location: Somerset UK
Service Number: A04/TQ8.0.24476E3
Country: United Kingdom
Here are the drawings of the S.P.A.S grip with the plate

And

Phil S stock with my cut outs.

Cheer's Steven Pasek

Phil S Stock 1-1 scale drawing.JPG
Phil S Stock 1-1 scale drawing.JPG [ 71.41 KiB | Viewed 5104 times ]

Phil S stock with measurments drawing.JPG
Phil S stock with measurments drawing.JPG [ 148.16 KiB | Viewed 5110 times ]

S.P.A.S grip and plate..JPG
S.P.A.S grip and plate..JPG [ 62.4 KiB | Viewed 5103 times ]

Top
 Profile  
Reply with quote  
 Post subject:
PostPosted: Fri Sep 14, 2007 10:01 pm 
User avatar

Location: Somerset UK
Service Number: A04/TQ8.0.24476E3
Country: United Kingdom
Will add more at a later date once I put my drawings in to a Paint format and when I got time.

But more will come.

Cheer's Steven


Top
 Profile  
Reply with quote  
 Post subject:
PostPosted: Sat Sep 15, 2007 2:09 am 
Site Admin
User avatar

Location: Wasteland Minnesota, USA
Service Number: A06/TQ2.0.65181E6
Country: United States
How did you retain the front airsoft barrel mount point (inside the outer barrel)?

Did you just cut the original one down and feed it into the cut down outer barrel, or did you make something from scratch?

That's one aspect I was never able to figure out.

Russ

_________________
"A writer needs a pen, a painter a brush, and a filmmaker an army." - Orson Wells.

http://www.rookscastle.com
http://www.alchemyarms.com


Top
 Profile  
Reply with quote  
 Post subject:
PostPosted: Sat Sep 15, 2007 7:12 am 
You tell me man, I only work here.
User avatar

Location: Los Angeles
Country: United States
I'd recommend the G+P kit, cause it is the strongest shrouds

and they align perfectly together. The vac kits are difficult to match up and get a consistant seam.


I modded my G+P with SD parts, and I'm happy with the results.


Top
 Profile  
Reply with quote  
 Post subject:
PostPosted: Sat Sep 15, 2007 8:16 am 
Spec Ops.
User avatar

Location: USA
mnoble2 wrote:
I'd recommend the G+P kit, cause it is the strongest shrouds

and they align perfectly together. The vac kits are difficult to match up and get a consistant seam.


I modded my G+P with SD parts, and I'm happy with the results.


I am soo going to comment on this one later. Matt, nothing against you, bud. :D

_________________
Tom
Image


Top
 Profile  
Reply with quote  
 Post subject:
PostPosted: Sat Sep 15, 2007 10:53 am 
Ask me about Giraffes...
User avatar

Location: Sheffield
Service Number: A13/TQ1.4.19720EX
Country: United Kingdom
Big thanks for the drawings Steven, straight in my 'Aliens file' they go!

SAS

_________________
Alan T. Alien
1st Lt Smith, SA "Sidewinder"
A13/TQ1.4.19720EX CMA
Founder of UKCM 13th Regt. 1st Batt. Freebooters
Founder of Special Armaments Section (Heavy Weapons)
"People don't understand. people like me"


Top
 Profile  
Reply with quote  
 Post subject:
PostPosted: Sat Sep 15, 2007 3:52 pm 
User avatar

Location: Somerset UK
Service Number: A04/TQ8.0.24476E3
Country: United Kingdom
"How did you retain the front airsoft barrel mount point (inside the outer barrel)?

Did you just cut the original one down and feed it into the cut down outer barrel, or did you make something from scratch?

That's one aspect I was never able to figure out.

Russ "

Hello Russ.

I made a new one out of black nylon.

I got a lathe and turn, drill, bore and part off.

Easy!!!

Cheer's Steven


Top
 Profile  
Reply with quote  
 Post subject:
PostPosted: Sat Sep 15, 2007 6:49 pm 
Singing the doom song...
User avatar

Location: Bromley, UK
Service Number: A11/TQ1.0.32150E1
Country: United Kingdom
II'll be going with Matsu's shrouds for my hero build, which will be pretty much like Darren's build, but I can't justify buying a G+P kit just for the shrouds.

Of course, if we ever get someone producing beaten aluminium shrouds...

I think I'll be making a few trips to Steven's to call on his engineering skills I think

_________________
A11/TQ1.0.32150E1 Murphy, J - Covert recording headcam. There is no flashing red light when you are on Kona-Cam
Weyland-Yutani: Their projects are intentionally full of bugs. Avoid!


Top
 Profile  
Reply with quote  
 Post subject:
PostPosted: Tue Sep 18, 2007 9:46 pm 
User avatar

Location: Florida, USA
Welp, we have opinions on both counts here, so I remain torn. :lol

Thanks for the advice!

_________________
Jay Pennington

Image


Top
 Profile  
Reply with quote  
 Post subject:
PostPosted: Wed Sep 19, 2007 11:21 am 
Range Safety Officer
User avatar

Location: Edinburgh Scotland - UK
Country: United Kingdom
Since the GnP shrouds are an expensive option for a single part..

Matt, What's the feasibility of making Acurate printed shrouds.?

_________________
STEVENSON F.
A11/TQ0.0.82148E1

"You are not your Drop Count."


Top
 Profile  
Reply with quote  
 Post subject:
PostPosted: Wed Sep 19, 2007 2:55 pm 
You tell me man, I only work here.
User avatar

Location: Los Angeles
Country: United States
Printed shrouds would be too expensive.

They have larger machines that could print one whole

shroud half though.

I just recommend the G+P, if your going to skirmish with it.
With that said, you still have to address the weak stock and
mag bottom. Plus the G+P spas cage and pump are much
better than the cheap airsoft one. (At least paint the cage
though)

But if you are just into costuming + display, I'd go with the
Matsuo shrouds.

Just my two cents.


Top
 Profile  
Reply with quote  
Display posts from previous:  Sort by  
Forum locked This topic is locked, you cannot edit posts or make further replies.  [ 14 posts ] 



You cannot post new topics in this forum
You cannot reply to topics in this forum
You cannot edit your posts in this forum
You cannot delete your posts in this forum
You cannot post attachments in this forum

Search for:
Jump to: